欢迎来到南京云凯防雷科技股份有限公司官方网站!
产品中心
YK-I25
Loading...

YK-I25

YK-I25

产品系列:电涌保护器

发布日期:2025-12-24

Uc:320V
limp:25kA
Up:≤2.0kV

立即询价

概述                                                                 

YK-I25电涌保护器采用35mm导轨安装方式,具有很高的雷电流泄放能力,可防范直击雷在内的各种电涌,应用于雷击风险较高地区的设备系统的电源第一级防雷,可组合用于单相/三相供电线路。

 

特点                                                                 

一级保护

残压低,漏电流小

一体化模块结构,安装更方便

泄放能力大

安全系数高,使用寿命长

技术数据                                                            

 

使用环境

 

温度

-40℃~70℃

湿度

相对湿度不大于95%(25℃)

海拔

不超过3000m

 

 

 

 

 

 

技术指标                                                             

产品型号

YK-I25

交流标称电压Un

220V/380V

最大可持续运行电压Uc

320VAC(L/N-PE)

冲击电流Iimp(10/350us)

25kA

标称放电电流In(8/20us)

20kA

响应时间T

≤100ns

电压保护水平Up

≤2.0kV

保护模式

L-PE,N-PE

接线方式

并联

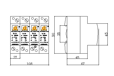
接线端子连接铜导线的截面积

相线:6mm2,地线:10mm2

外壳防护等级

IP20

安装形式

35mm标准导轨

组合方式

1P、2P、3P、4P

后备保护

YK-SCB 25/T1

 

电路原理示意图

 

      

 

外型结构                                                             

 

 

执行标准                                                             

IEC 61643-1:2005 连接至低压配电系统的电涌保护器第1部分:技术要求及实验方法

GB 18802.11-2020 低压配电系统的电涌保护器(SPD)第1部分:性能要求及试验方法

 

安装使用和维护                                                       

本电涌保护器只能由专业人员进行现场的安装和维护,安装位置为人手不能直接接触的地方。安装前应确认为非带电安装,并检查电涌保护器是否完好,如有损伤,已不能使用。

接线方式采用并联,接地线的截面积相线为6mm2,地线为10mm2。

遥信报警的连接,电涌保护器配有遥信接口,可用于远程集中监测和告警。

接线完毕,需检查是否装配到位,若未到位,需重新压紧模块。

电涌保护器在工作失效后,应由专业人员立即更换该保护器。

 

质量承诺                                                             

1、本公司产品符合相关标准、工艺性能良好;

2、产品自出场之日起一年内出现质量问题负责包换,保修3年,终身维修(使用寿命内)。

 

制造商信息                                                           

公司名称:南京云凯防雷科技股份有限公司

生产地址:江苏省南京市栖霞区栖霞大道68号5楼

邮编:210000

服务电话:025-84513346

网址:www.yunkaifanglei.net

 

咨询热线

025-84513346

南京市栖霞区栖霞大道68号(附近公交站台:十月村东)