欢迎来到南京云凯防雷科技股份有限公司官方网站!
产品中心
YK1-B120
Loading...

YK1-B120

YK1-B120

产品系列:电涌保护器

发布日期:2025-12-24

Uc:385V
lmax:120kA
ln:60kA
Up:≤2.5kV

立即询价

概述                                                                 

YK1-B120电涌保护器采用35mm导轨安装方式,具有很高的雷电流泄放能力,可防范直击雷在内的各种电涌,应用于雷击风险较高地区的设备系统的电源第二级防雷及雷击风险一般地区的设备系统的第一级防雷,可组合用于单相/三相供电线路。

 

特点                                                                 

一级保护

残压低,漏电流小

一体化模块结构,安装更方便

热脱扣/熔断功能,响应速度快

技术数据                                                            

使用环境

温度

-40℃~70℃

湿度

相对湿度不大于95%(25℃)

海拔

不超过3000m

 

 

 

 

 

 

技术指标                                                             

产品型号

YK1-B120

交流标称电压Un

220V/380V

最大可持续运行电压Uc

385VAC(L/N-PE)

标称放电电流In(8/20us)

60kA

最大放电电流Imax(8/20us)

120kA

响应时间T

≤25ns

电压保护水平Up

≤2.5kV

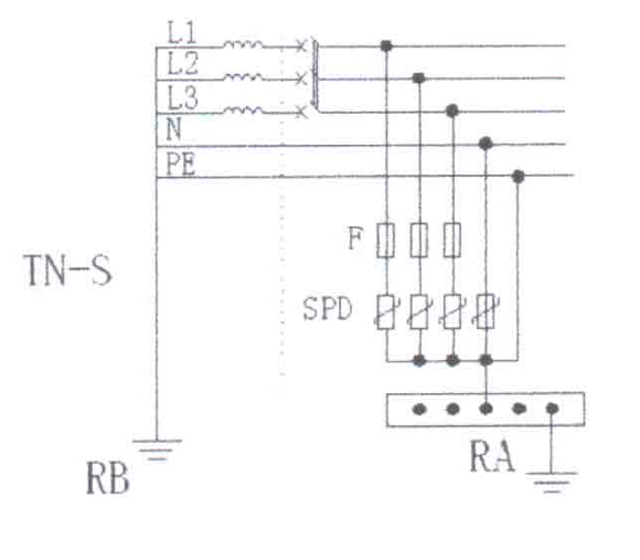
保护模式

L-PE,N-PE

接线方式

并联

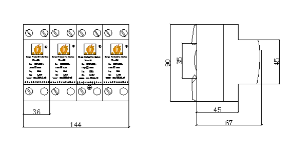
接线端子连接铜导线的截面积

相线:6mm2,地线:10mm2

外壳防护等级

IP20

安装形式

35mm标准导轨

组合方式

1P、2P、3P、4P

后备保护

YK-SCB 15/T1

 

电路原理示意图

 

   

 

外型结构                                                             

 

 

执行标准                                                             

IEC 61643-1:2005 连接至低压配电系统的电涌保护器第1部分:技术要求及实验方法

GB 18802.11-2020 低压配电系统的电涌保护器(SPD)第1部分:性能要求及试验方法

 

安装使用和维护                                                       

本电涌保护器只能由专业人员进行现场的安装和维护,安装位置为人手不能直接接触的地方。安装前应确认为非带电安装,并检查电涌保护器是否完好。

接线方式采用并联,接地线的截面积相线为6mm2,地线为10mm2。

遥信报警的连接,电涌保护器配有遥信接口,可用于远程集中监测和告警。

接线完毕,需检查是否装配到位,若未到位,需重新压紧模块。

电涌保护器在工作失效后,应由专业人员立即更换该保护器。

 

质量承诺                                                             

1、本公司产品符合相关标准、工艺性能良好;

2、产品自出场之日起一年内出现质量问题负责包换,保修3年,终身维修(使用寿命内)。

 

制造商信息                                                           

公司名称:南京云凯防雷科技股份有限公司

生产地址:江苏省南京市栖霞区栖霞大道68号5楼

邮编:210000

服务电话:025-84513346

网址:www.yunkaifanglei.net

 

咨询热线

025-84513346

南京市栖霞区栖霞大道68号(附近公交站台:十月村东)